new WOW().init();

電動供熱蝶閥是一種應用于供熱系統中的閥門,其由電動執行器驅動。該閥門的主要功能是控制供熱系統中熱介質(如熱水或蒸汽)的流量,以實現對供熱系統的溫度和熱負荷的調節。電動執行器能夠根據控制信號來自動調節蝶閥的開合程度,從而改變介質流通的通量。
產品資料下載電動供熱蝶閥-熱水循環-供熱
電動供熱蝶閥是一種應用于供熱系統中的閥門,其由電動執行器驅動。該閥門的主要功能是控制供熱系統中熱介質(如熱水或蒸汽)的流量,以實現對供熱系統的溫度和熱負荷的調節。電動執行器能夠根據控制信號來自動調節蝶閥的開合程度,從而改變介質流通的通量。
電動供熱蝶閥由蝶板、閥體、電動執行器組成。蝶板是閥門的關鍵部件,通過旋轉來改變閥門的通道開口。閥體則是蝶板固定的部分,安裝在管道上。電動執行器接收來自控制器的信號,根據需要旋轉蝶板,從而調控介質的流量。控制器可以根據室內溫度、設定溫度和其他條件來控制電動執行器的工作,從而實現供熱系統的自動調節。
電動供熱蝶閥是一種常用于供熱系統中的閥門,廣泛應用于各類供熱工程中,具有結構簡單、使用方便、控制精度高等優點。本文將詳細介紹電動供熱蝶閥的結構、工作原理、特點、適用范圍及選型要點等內容。
電動供熱蝶閥小樣圖:

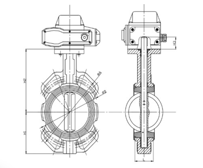
電動供熱蝶閥尺寸圖:

電動供熱蝶閥的特點:
1. 結構簡單:電動供熱蝶閥的結構簡單,由于閥盤呈圓形,流通通道較為直徑,流體通過閥門時的壓降相對較小。
2. 使用方便:電動供熱蝶閥采用電動執行器控制,通過控制系統可以遠程控制和自動化控制,方便操作。
3. 控制精度高:電動供熱蝶閥的閥盤可實現連續轉動,可以根據需要來調節閥門的開度,控制流量的大小,從而提高控制精度。
4. 適應性強:電動供熱蝶閥可適應各種工況和流體介質,廣泛應用于各類供熱工程中。閥體材料可以根據工程需求選擇,從而適應不同的工作壓力和介質。
5. 易于維護:電動供熱蝶閥的結構簡單,易于維護和保養。電動執行器可以進行定期檢查和維護,確保其正常運行。
電動供熱蝶閥的選型要點:
1. 閥口尺寸:根據工程需求和流體流量確定閥口尺寸,通常選擇與管道口徑相匹配的閥門。
2. 工作壓力:根據供熱系統的工作壓力確定閥門的耐壓能力,選擇合適的閥門。
3. 控制方式:根據實際情況選擇控制方式,可以選擇手動控制、遠程控制或自動控制。
4. 電源電壓:根據工程現場條件選擇合適的電源電壓,確保電動執行器正常工作。
5. 控制精度:根據需要選擇控制精度高的電動供熱蝶閥,確保系統的控制效果。
電動供熱蝶閥具有快速響應、精確控制、可靠性高等特點。它們廣泛應用于樓宇供暖、集中供熱系統、暖通空調系統等領域,為供熱系統提供高效的溫度控制和能量節約。
掃一掃關注公眾號