new WOW().init();

電動凸耳式蝶閥是一種通過電動執行器控制的蝶閥。凸耳式蝶閥是指蝶閥的閥桿上裝有一個凸耳,通過電動執行器的旋轉控制閥桿的位置,從而實現對閥門的開啟和關閉。
電動凸耳式蝶閥通常由電動執行器、閥桿、閥板和閥座等部件組成。其中,電動執行器是控制閥門開關的關鍵部件,可以根據信號控制閥桿的旋轉角度,以達到控制流體流量的目的。閥桿通過凸耳連接閥板,當閥桿旋轉時,凸耳帶動閥板在閥座上旋轉,從而控制介質的通斷。閥座則起到密封的作用,防止介質泄漏。
電動凸耳式蝶閥具有操作方便、精確控制、高可靠性和廣泛的應用范圍等優點。它常用于各種工藝管道中流體的控制,如自來水、化工、石油、電力等行業。同時,根據具體的介質要求和工藝要求,可以選擇合適的閥門材料和密封材料,在保證閥門正常運行的同時,還能滿足特定介質的要求。
電動凸耳式蝶閥具有以下特點:
1. 操作簡便:通過電動執行器實現自動控制,操作簡便,無需人工操作,可以實現遠程控制和自動化控制。
2. 精確控制:電動執行器可以精確控制閥門的開度,從而精確控制介質的流量和壓力,滿足工藝要求。
3. 快速開閉:與手動操作相比,電動執行器能更快速地實現閥門的開閉,提高工作效率。
4. 高可靠性:采用電動執行器控制,能夠提高閥門的穩定性和可靠性,減少故障發生的可能性。
5. 耐腐蝕性:根據不同的介質,選擇合適的閥門材料和密封材料,能夠適應不同介質的腐蝕性。
6. 體積小、重量輕:電動凸耳式蝶閥相對于其他類型的閥門來說,具有較小的體積和較輕的重量,方便安裝和維護。
7. 節約能源:通過電動執行器實現自動控制,能夠根據實際需要調整閥門的開度,有效節約能源。
總之,電動凸耳式蝶閥具有操作簡便、精確控制、快速開閉、高可靠性、耐腐蝕性、體積小、重量輕和節約能源等特點,廣泛應用于各個行業的流體控制領域。
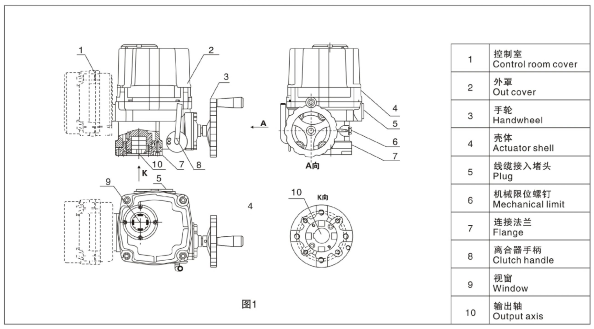
電動執行器外觀圖:

電動凸耳式蝶閥的技術資料:
1. 閥門口徑(DN):通常范圍從20mm到3000mm,可根據工程需求定制更大尺寸。
2. 閥門壓力等級(PN):通常范圍從PN10到PN40,具體壓力等級根據工程需求確定。
3. 閥門材質:通常采用球墨鑄鐵、碳鋼、不銹鋼等材質,以滿足不同介質和溫度要求。
4. 密封結構:一般采用橡膠密封或金屬密封結構,確保閥門的密封性能。
5. 閥門執行器:常用的是電動執行器,它可以接收控制信號來控制閥門的開度,實現自動化控制和遠程控制。
6. 控制信號:通常采用4-20mA模擬信號或開關量信號,用于控制電動執行器的動作。
7. 閥門特性:通常為等百分比特性或線性特性,以滿足供氣供暖系統的流量調節要求。
8. 閥門測試標準:通常符合國際標準如API609(蝶閥設計標準)和API598(閥門檢驗與試驗標準)等。
9. 閥門附件:常見的附件包括手動操作裝置、位置反饋裝置、限位開關等,用于確保閥門的正常運行和監測。
請注意,以上資料只是電動凸耳式蝶閥的一些常見技術資料,實際產品的技術資料可能會有所不同,具體資料需根據具體產品的技術規格和型錄來確定。
掃一掃關注公眾號