new WOW().init();

襯氟快裝球閥內襯材質PTEFE或者PFA,高抗滲透性,契形槽鎖定的防真空設計。閥體法蘭密封,即使在頻繁的熱循環條件下也有效,閥體的密封處有足夠的內襯厚度,全通徑結構提供與管道相等的CV值。一體式的球/閥桿設計,減少了閥球和閥桿的失效。
產品資料下載襯氟快裝球閥-內襯PTEFE-不銹鋼
襯氟快裝球閥內襯材質PTEFE或者PFA,高抗滲透性,契形槽鎖定的防真空設計。閥體法蘭密封,即使在頻繁的熱循環條件下也有效,閥體的密封處有足夠的內襯厚度,全通徑結構提供與管道相等的CV值。一體式的球/閥桿設計,減少了閥球和閥桿的失效。
襯氟快裝球閥工作原理:
襯氟快裝球閥采用球體旋轉式開關方式,當閥門開啟時,球體隨閥桿旋轉,使得球體與閥座之間的流通面積逐漸增大,從而實現流體的流通。當閥門關閉時,球體與閥座之間的流通面積逐漸減小,截斷流體的流動。由于球體的形狀為圓形,因此閥門具有較好的流通性能和密封性能。
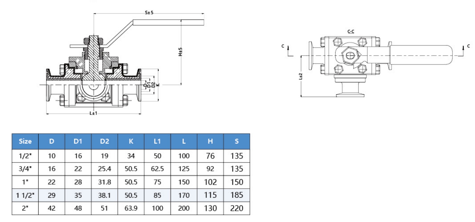
襯氟快裝球閥結構尺寸:

襯氟快裝球閥性能特點:
耐腐蝕性強:襯氟快裝球閥的閥座采用PTFE或PPL襯里,可有效抵抗各種強腐蝕性流體的腐蝕,如酸、堿、鹽等。
密封性能好:采用PTFE填料組合,通過特殊的壓模工藝,使密封面致密良好,達到零泄漏。
流體阻力小:內壁光滑,流道通暢,流體阻力最低,可有效降低流體輸送的能耗。
開關迅速:可采用氣動電動執行器驅動,開關迅速、靈活,可實現遠程控制和自動操作。
多種連接方式:閥門具有多種連接方式,如法蘭、卡箍、螺紋等,可以滿足不同用戶的需求。
襯氟快裝球閥應用領域:
襯氟快裝球閥廣泛應用于各個行業的腐蝕性流體控制領域,如化工、石油、醫藥、環保、輕工、電力等。它被廣泛應用于各種生產過程中酸堿等強腐蝕介質的調節或切斷,如酸堿罐區、酸洗槽、電鍍槽等。此外,襯氟快裝球閥還可用于食品、飲料、乳品等行業的衛生級流體控制。
掃一掃關注公眾號