new WOW().init();

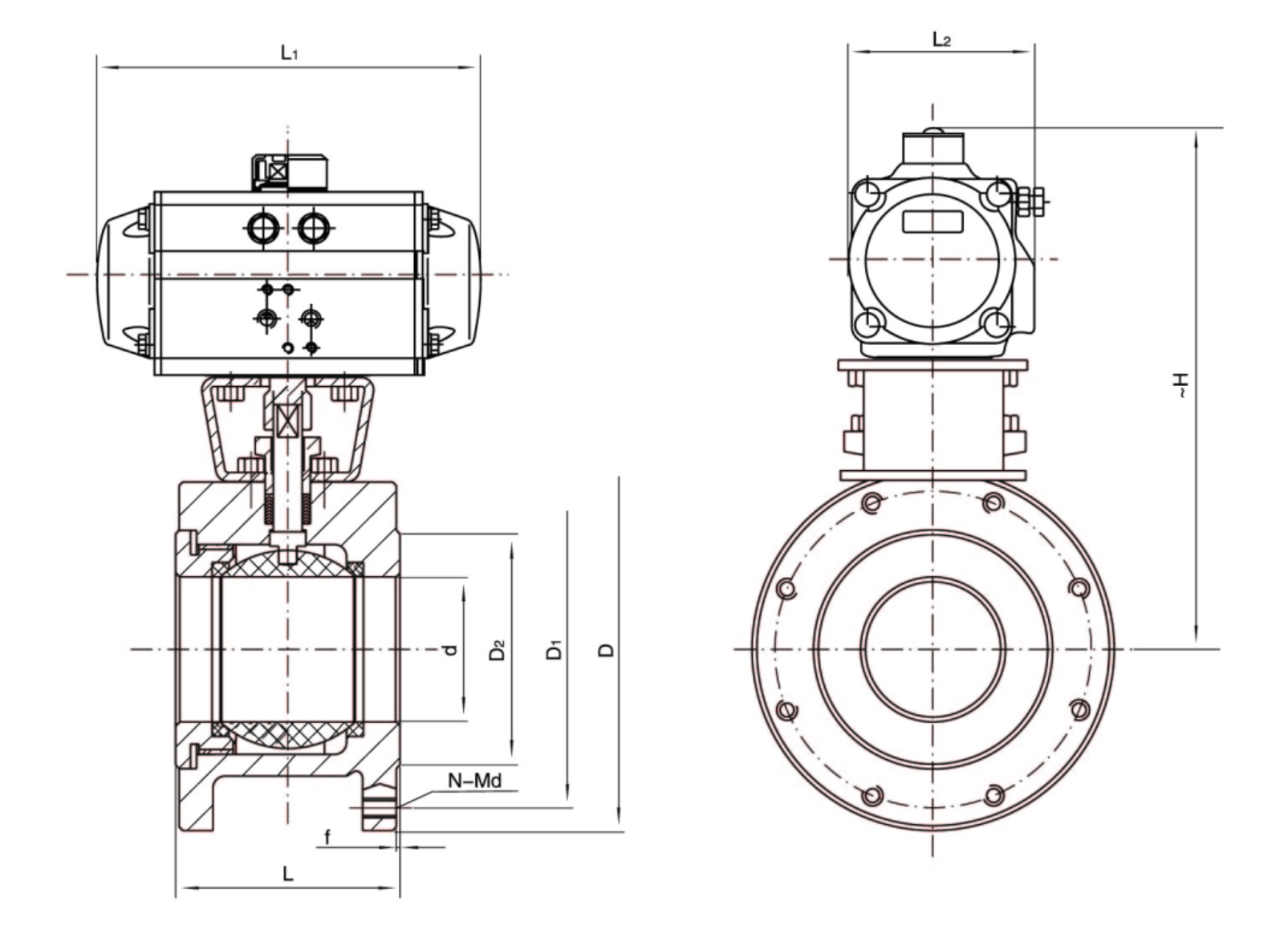
氣動超短球閥它通過氣動執行器驅動來實現閥門的開啟和關閉。相比傳統球閥,氣動薄型球閥的設計更加緊湊和輕便,因此被稱為“薄型”球閥。這種閥門主要用于切斷、調節和節流各種流體,如空氣、水、蒸汽、各種腐蝕性介質等。
產品資料下載


氣動超短球閥它通過氣動執行器驅動來實現閥門的開啟和關閉。相比傳統球閥,氣動薄型球閥的設計更加緊湊和輕便,因此被稱為“薄型”球閥。這種閥門主要用于切斷、調節和節流各種流體,如空氣、水、蒸汽、各種腐蝕性介質等。
特點:
1. 薄型設計:氣動薄型球閥的設計緊湊,體積小,重量輕,占用空間少,易于安裝和維護。
2. 高效率控制:氣動薄型球閥的球體采用滾動軸承支撐,開關靈活,摩擦力小,流體通過閥門時阻力小,因此控制效率高。
3. 低流阻:由于氣動薄型球閥的薄型設計和優良的流通性能,流體通過閥門時阻力小,流動順暢,不易積聚和堵塞。
工作原理:
氣動超短球閥的工作原理是利用氣動執行器推動球體進行旋轉運動,從而改變球體與閥座之間的通斷狀態。當氣動執行器接收到開啟信號時,活塞桿向下運動,推動球體旋轉90度,使球體與閥座之間的通道打開,流體通過閥門;當氣動執行器接收到關閉信號時,活塞桿向上運動,推動球體旋轉90度,使球體與閥座之間的通道關閉,流體無法通過閥門。
結構組成:
氣動超短球閥主要由以下幾個部分組成:
1. 閥體:閥體決定了閥門的通徑、連接方式、材質等參數。閥體一般采用鑄鋼、不銹鋼等。
2. 閥座:閥座與球體緊密接觸,并能夠隨著球體的旋轉而移動。閥座一般采用PTFE材質。
3. 球體:球體決定了閥門的開關狀態。球體采用材質制造。
應用領域:
氣動超短球閥在許多領域得到廣泛應用,如石油、化工、電力、冶金、水處理、食品等行業。它主要用于控制各種流體(氣體、液體、蒸汽等)的流量、壓力、溫度等參數,并能夠實現遠程控制和自動控制。
掃一掃關注公眾號