new WOW().init();

電動法蘭三通閥是一種常見的工業閥門,用于流體介質的分流和合流控制。它由閥體、閥蓋、閥球、閥座、電動裝置等組成,采用法蘭連接方式,廣泛應用于石油、化工、冶金、電力、制藥等工業領域。下面將對電動法蘭三通閥進行詳細介紹。
產品資料下載電動法蘭三通閥-換向分流閥
電動法蘭三通閥是一種常見的工業閥門,用于流體介質的分流和合流控制。它由閥體、閥蓋、閥球、閥座、電動裝置等組成,采用法蘭連接方式,廣泛應用于石油、化工、冶金、電力、制藥等工業領域。下面將對電動法蘭三通閥進行詳細介紹。
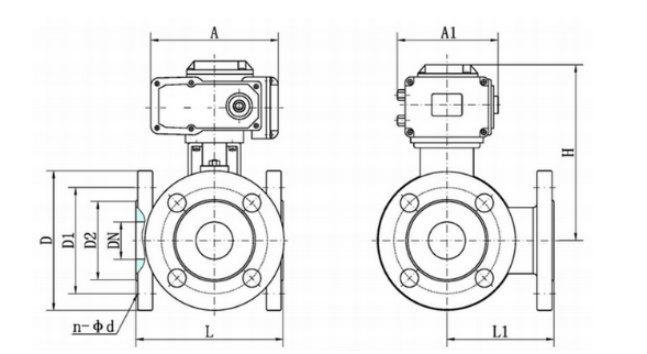
結構圖:

流向圖:

一、結構和組成部分:
1. 閥體和閥蓋:電動法蘭三通閥的閥體和閥蓋通常是對稱的Y型結構,由鑄造或鍛造而成。閥蓋上通常有一個法蘭連接的平面,用于連接與管道或其他設備。
2. 閥球和閥座:閥球和閥座是電動法蘭三通閥的關鍵組成部分。閥球通常是一個空心球體,有兩個或三個通道,可以實現不同介質的流向控制。閥座是與閥球接觸的部分,有較好的密封性能。
3. 電動裝置:電動法蘭三通閥通過電動裝置實現閥球的開關控制。電動裝置通常由電動執行器、控制器、電源等組成。電動執行器可以根據信號控制閥門的開關狀態,控制器能夠接收外部控制信號并發送給電動執行器,電源為電動裝置提供動力。
二、工作原理:
電動法蘭三通閥的工作原理主要包括輸入信號的控制、執行器的動作和閥門的開閉過程。
1. 輸入信號的控制:通過控制器接收外部信號,可以是手動控制或自動控制。手動控制可以通過按鈕、開關、遙控等方式來實現,自動控制可以通過PLC、DCS等控制系統來實現。
2. 執行器的動作:根據接收到的信號,電動執行器實現不同方向的旋轉運動,驅動閥球的轉動。電動執行器通常采用電動機、減速機、聯軸器等組合,通過機械傳動實現轉矩的轉換。
3. 閥門的開閉過程:當執行器旋轉推動閥球時,閥球與閥座之間形成密封,實現閥門的關閉。反之,旋轉到特定位置時,閥球與閥座之間的通道對接,實現閥門的打開,介質可以流動。
三、特點和應用:
電動法蘭三通閥具有以下特點和應用:
1. 適用介質廣泛:電動法蘭三通閥可以處理液體、氣體和腐蝕介質等多種介質,廣泛應用于石油、化工、冶金、電力、制藥等行業。
2. 控制性能好:電動法蘭三通閥的動作靈敏,能夠實現快速的流量切換和流向調整,具有良好的流量調節性能。
3. 密封性能好:電動法蘭三通閥的結構設計使得閥球與閥座密封性良好,閥門關閉時無泄漏現象。
4. 執行器操作方便:電動法蘭三通閥采用電動執行器,操作方便快捷,可以通過手動方式或自動方式控制閥門的開關。
5. 應用范圍廣泛:電動法蘭三通閥可適用于高溫、高壓、低溫等各種工況,可以用于流體分流、合流控制,也可以用于一臺設備的兩個管線切換等多種應用。
電動法蘭三通閥是一種重要的工業閥門,通過電動裝置實現閥門的遠程控制和自動化操作。它具有控制性能好、密封性能好等特點,適用于多種介質和工況,廣泛應用于工業生產中的流體控制系統。
掃一掃關注公眾號