new WOW().init();

電動供水蝶閥-節能-自動化
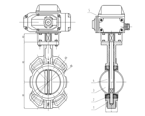
電動供水蝶閥是一種采用電動執行機構控制的閥門,用于供水系統中的流量調節和截斷。由閥體、閥座、蝶板、電動執行機構和控制系統等組成。
電動供水蝶閥是一種采用電力作為動力驅動的供水系統控制裝置。它通過電動執行器控制閥門的開啟和關閉,實現對供水系統中水流的控制。與傳統手動蝶閥相比,電動供水蝶閥具有更高的自動化程度和精確度。
電動供水蝶閥的設計和結構經過精心考慮,以滿足各種供水系統的需求和工作環境。其主要組成部分包括電動執行器、閥體、閥盤和密封件。
電動執行器是電動供水蝶閥的核心部件,通過電能轉化為機械能,驅動閥門的開啟和關閉。常見的電動執行器包括電機、減速器和行程開關等。由于電動執行器具備快速響應和精確控制的特點,它能夠根據需要實時調節閥門的開度,以滿足供水系統的要求。
閥體是電動供水蝶閥的主體部分,通常采用鑄鐵、不銹鋼或鑄鋼材質制成。它具有耐腐蝕、高強度和良好的密封性能。閥體內部有一個蝶板孔,通過蝶板的旋轉控制水流的通斷或調節。而水流通斷的大小則取決于蝶板的開度。
蝶板是電動供水蝶閥的關鍵組件,它是閥門與閥體之間的連接部分,通過蝶板的旋轉來實現對水流的控制。蝶板通常采用鋼板制成,具有輕便、強度高的特點。蝶板通常通過軸承與閥桿相連,閥桿則與電動執行器相連。
密封件是保證電動供水蝶閥密封性能的關鍵。它通常采用橡膠或PTFE等材料制成,具有良好的耐腐蝕性和密封性能。密封件的選擇和設計對于電動供水蝶閥的使用壽命和工作效果至關重要。
電動供水蝶閥結構:

電動供水蝶閥尺寸:

電動供水蝶閥具有以下優點:
1. 控制方便:通過控制系統可實現對供水流量的精確控制,方便用戶根據需求進行調節。
2. 運行穩定:電動執行機構具有輸出力矩穩定、動作精準的特點,可保證閥門在不同工況下的穩定運行。
3. 能耗低:相較于傳統的手動閥門,電動供水蝶閥能夠準確控制閥門的開度,節約水源和能源。
4. 維護簡便:電動供水蝶閥的特殊設計使其結構簡單,使用壽命長,維護方便。
5. 應用廣泛:電動供水蝶閥可廣泛應用于城市供水、給水、污水處理、工業冷卻水等領域,滿足不同場合的需求。
電動供水蝶閥具有許多優點。首先,它的自動化程度高,能夠實現對供水系統的智能化管理。其次,它的響應速度快,能夠迅速調節水流,滿足不同的供水需求。此外,電動供水蝶閥還具有節能、可靠性高和操作簡便等優勢。
電動供水蝶閥是一種高效、可靠的供水系統控制裝置,能夠實現對供水流量的精確控制,提高供水系統的運行效率和穩定性。它在城市供水、工業水處理和建筑消防等領域有廣泛應用。
掃一掃關注公眾號