new WOW().init();

單作用氣動執行器-單動式-大推力
型號:NARSRT
扭矩:32NM-400NM
材質:鋁合金、不銹鋼
氣源壓力:4BAR-7BAR
控制方式:雙作用
配套閥門:球閥、蝶閥
附件:電磁閥、過濾減壓閥、限位開關、定位器
雙作用執行器-雙動式-蝶閥-球閥
氣動執行器可搭載于蝶閥、球閥、旋塞閥等做90°回轉啟閉的閥門。
金屬部件由加工全程嚴格處理,嚙合準確,傳動平穩;活塞臂(齒條)與輸出軸連接齒輪采用短齒設計,嚙合力更大,輸出扭矩更穩定.
具備規模化、批量化生產優勢,保證更優越的產品品質。
雙作用執行器性能特點:
1. 指示器
指示器符合VID/VIE3845 NAM UR標準,便于安裝限位開關、定位器等附件。
2. 輸出軸
鍍鐐合金鋼一體式鍛壓輸出軸的設計符合NAMUR、ISO5211. DIN3337標準。特殊標準可根據客戶要求去定制。
3. 缸體
由優質鋁合金擠壓成形,表面進行硬質陽極氧化處理、特氟龍涂層。
4. 端蓋
鋁合金壓鑄,表面陽極硬化處理、金屬聚酯涂層。
5. 活塞
采用鑄鋁硬質氧化處理
6. 調節螺栓
兩個獨立行程調節螺栓可以方便精確的在±5。以內調整閥門的開合角度。
7. 活塞環
采用低摩擦、長壽命復合材料,維修更換方便。
8. 密封
常溫下使用丁月青橡膠,高溫和低溫工況下,根據客戶要求使用特殊的密封。
9. 氣源接口
符合NAM UR標準,可直接安裝NAM UR標準電磁閥。
10. 所有緊固件均采用不銹鋼材料。
符合NAM UR標準,可直接安裝NAM UR標準電磁閥。

單作用氣動執行器零部件明細表:


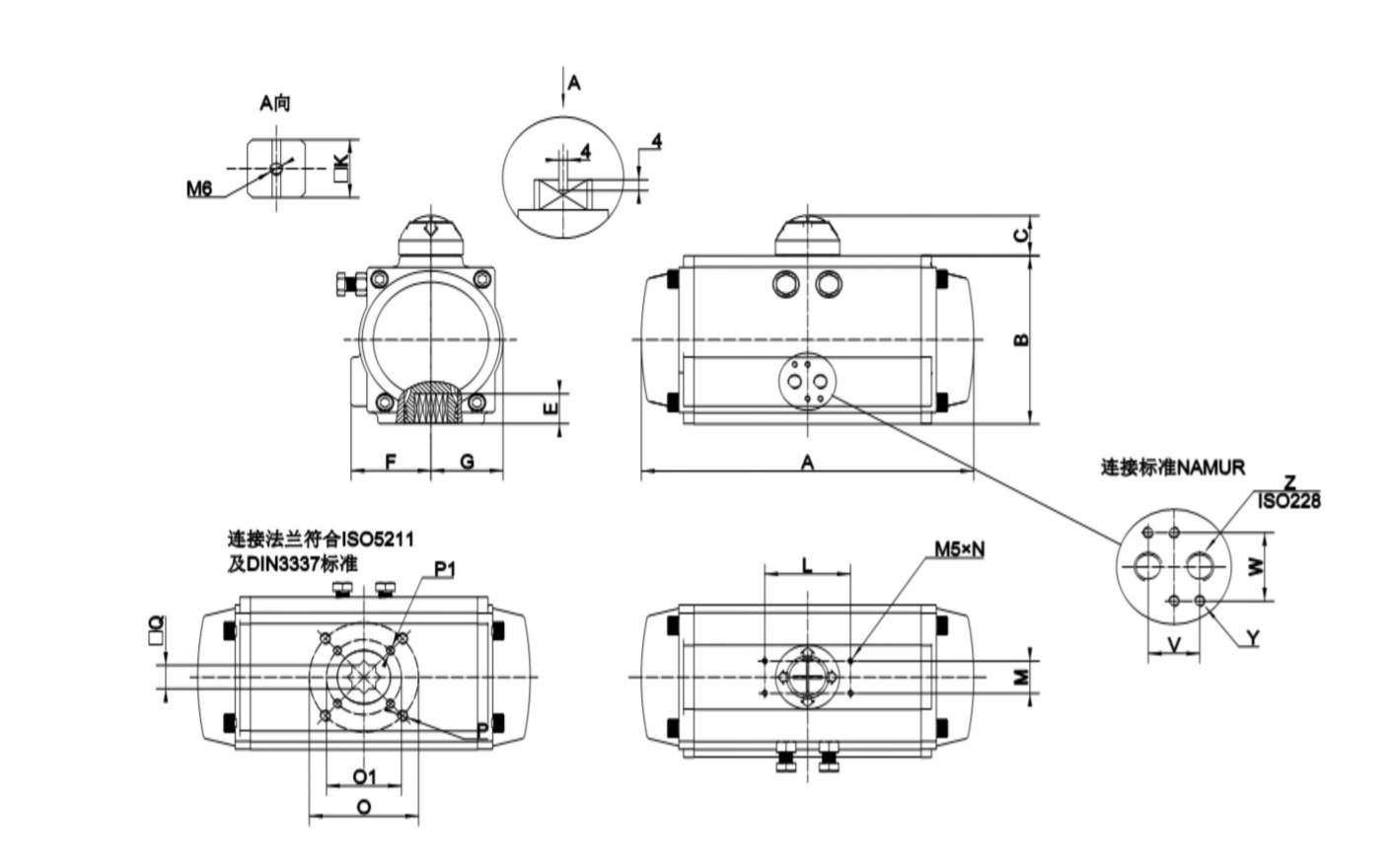
單作用氣動執行器外形連接尺寸:


單作用氣動執行器輸出扭矩:

掃一掃關注公眾號