new WOW().init();

衛生級焊接球閥是用于食品、制藥、化妝品等行業的衛生級閥門設備。它結合了衛生級標準和焊接球閥的優點于一體,具有高品質、衛生級標準、快速開關、密封性好、自動化控制和長壽命等特點。
產品資料下載衛生級焊接球閥-全包-手柄驅動
衛生級焊接球閥是用于食品、制藥、化妝品等行業的衛生級閥門設備。它結合了衛生級標準和焊接球閥的優點于一體,具有高品質、衛生級標準、快速開關、密封性好、自動化控制和長壽命等特點。
在結構上,衛生級焊接球閥主要由焊接頭、球體、閥體和密封件等部件組成。焊接頭與管道連接采用對接式結構,使其具有更高的強度和穩定性。球體采用不銹鋼材料,具有高硬度和高光潔度特點,能夠有效地保證閥門的密封性能和流通能力。閥體采用優質不銹鋼材料制造而成,具有較強的耐腐蝕性和耐久性,能夠有效地抵抗各種化學物質的侵蝕。密封件采用高品質的四氟材料,能夠有效地防止介質泄漏,保證閥門的安全性和可靠性。
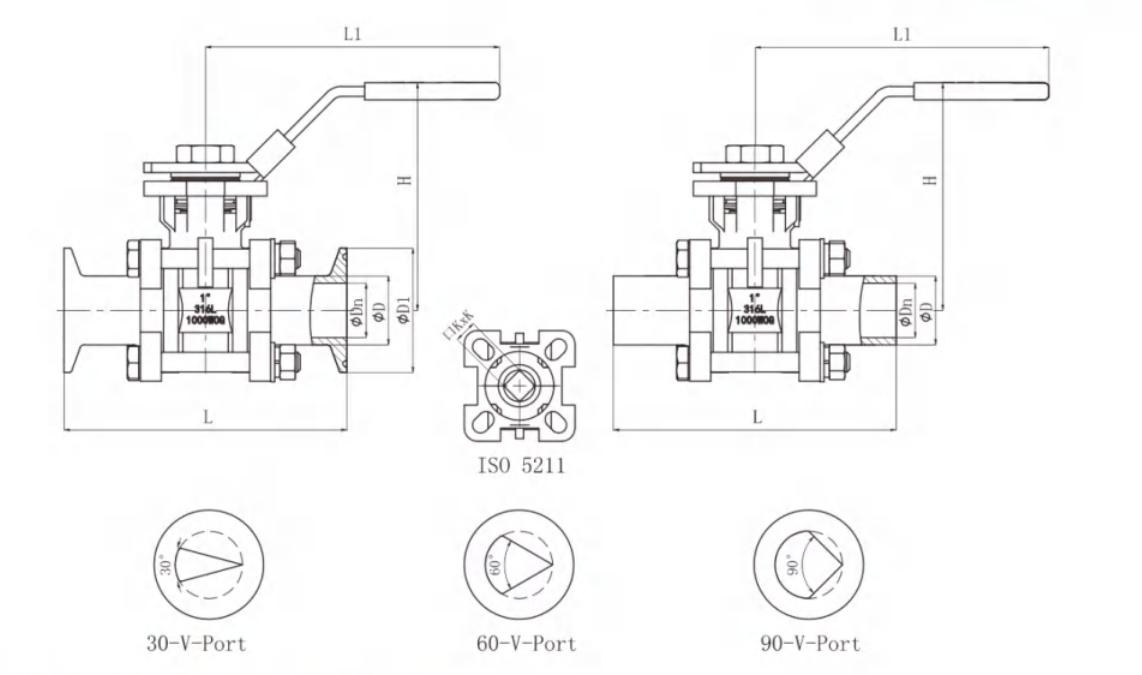
衛生級焊接球閥結構圖:

衛生級焊接球閥尺寸:

衛生級焊接球閥參數:
1. 公稱通徑:15~80mm。
2. 公稱壓力:1.6Mpa。
3. 連接形式:焊接。
4. 閥體材料:ZG1Cr18Ni9Ti、ZG1Cr18Ni12mo2Ti、CF8、CF8m。
5. 溫度范圍:常溫-40℃~180℃
衛生級焊接球閥優點:
1. 閥體材質:衛生級焊接球閥的閥體材質只能采用304SS、304L或316、316L不銹鋼,這使得閥門的耐腐蝕性和耐高溫性能更加優良。
2. 外觀:衛生級焊接球閥的外觀由衛生級球閥標準電子拋光,達到表面光滑且確保清潔,無介質積存區域,不會產生潛在的污染。
3. 流體阻力:由于閥門的流道暢通,使得流體阻力小,流量大。
4. 結構:衛生級焊接球閥結構簡單、體積小、重量輕,易于操作和維護。
掃一掃關注公眾號